Product Summary
The LM350T is a three-terminal 3 A adjustable voltage regulator. In operation, the LM350T develops a nominal 1.25V reference voltage, V(ref), between the output and adjustment terminal. The reference voltage is impressed across program resistor R1 and, since the voltage is constant, a constant current I1 then flows through the output set resistor R2.
Parametrics
LM350T absolute maximum ratings: (1)Ptot Power Dissipation: Internally Limited; (2)VI - VO Input-Output Voltage DIfferential: 35 V; (3)Toper Operating Junction Temperature Range: 0 to 125℃; (4)Tstg Storage Temperature Range: -65 to 150℃; (5)Tlead Lead Temperature (Soldering, 10 seconds): 300℃.
Features
LM350T features: (1)guaranteed 3A output current; (2)adjustable output down to 1.2V; (3)line regulation typically 0.005% /V; (4)load regulation typically 0.1%; (5)guaranteed thermal regulation; (6)current limit constant with tem-perature; (7)standard 3-lead transistor package.
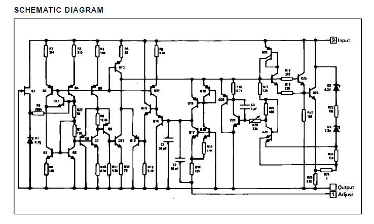
Diagrams

| Image | Part No | Mfg | Description | ![]() |
Pricing (USD) |
Quantity | ||||||||||||
|---|---|---|---|---|---|---|---|---|---|---|---|---|---|---|---|---|---|---|
![]() |
![]() LM350TG |
![]() ON Semiconductor |
![]() Linear Regulators - Standard 3A 1.2-33V Positive |
![]() Data Sheet |
![]() Negotiable |
|
||||||||||||
![]() |
![]() LM350T/NOPB |
![]() National Semiconductor (TI) |
![]() Linear Regulators - Standard 3-AMP ADJ REG |
![]() Data Sheet |
![]()
|
|
||||||||||||
![]() |
![]() LM350T |
![]() Fairchild Semiconductor |
![]() Linear Regulators - Standard TO-220 3A Adj Volt |
![]() Data Sheet |
![]()
|
|
||||||||||||
(Hong Kong)









