Product Summary
The bgy66b is a CATV amplifier module. The bgy66b is designed for applications in CATV systems with a bandwidth of 5 to 120MHz operating with a voltage supply of 24V (DC) . Application of the bgy66b includes: Intended as a reverse amplifier for use in two-way systems.
Parametrics
bgy66b absolute maximum ratings: (1) RF input voltage Vi: 65dBmV; (2) storage temperature tstg: -40 to +100°C; (3) mounting base operating temperature Tmb: -20 to +100°C.
Features
bgy66b features: (1) Excellent linearity; (2) Extremely low noise; (3) Silicon nitride passivation; (4) Rugged construction; (5) Gold metallization ensures excellent reliability.
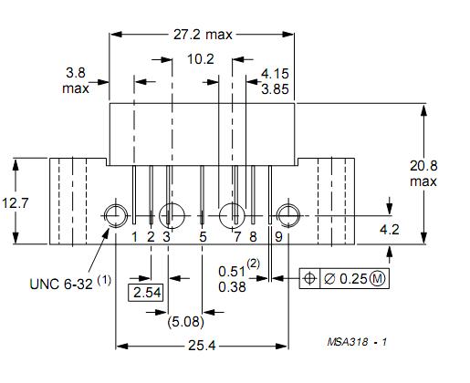
Diagrams

(Hong Kong)






