Product Summary
The bgy66b is a CATV amplifier module. The bgy66b is designed for applications in CATV systems with a bandwidth of 5 to 120MHz operating with a voltage supply of 24V (DC) . Application of the bgy66b includes: Intended as a reverse amplifier for use in two-way systems.
Parametrics
bgy66b absolute maximum ratings: (1) RF input voltage Vi: 65dBmV; (2) storage temperature tstg: -40 to +100°C; (3) mounting base operating temperature Tmb: -20 to +100°C.
Features
bgy66b features: (1) Excellent linearity; (2) Extremely low noise; (3) Silicon nitride passivation; (4) Rugged construction; (5) Gold metallization ensures excellent reliability.
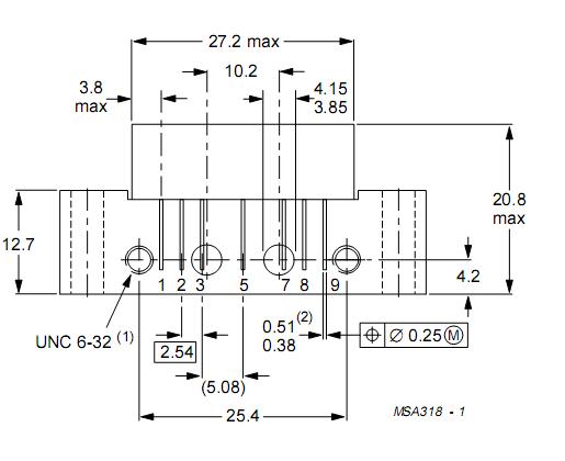
Diagrams

| Image | Part No | Mfg | Description | ![]() |
Pricing (USD) |
Quantity | ||||||||||||
|---|---|---|---|---|---|---|---|---|---|---|---|---|---|---|---|---|---|---|
![]() |
![]() BGY66B |
![]() Other |
![]() |
![]() Data Sheet |
![]() Negotiable |
|
||||||||||||
![]() |
![]() BGY66B,112 |
![]() NXP Semiconductors |
![]() RF Amplifier BULK CATV |
![]() Data Sheet |
![]()
|
|
||||||||||||
(Hong Kong)










