Product Summary
The SN74LV14AD is a inverter. SN74LV14AD is designed for 2-V to 5.5-V VCC operation. The SN74LV14AD contains six independent inverters. The SN74LV14AD performs the Boolean function Y = A. The SN74LV14AD is fully specified for partial-power-down applications using Ioff. The Ioff circuitry disables the outputs, preventing damaging current backflow through the devices when they are powered down.
Parametrics
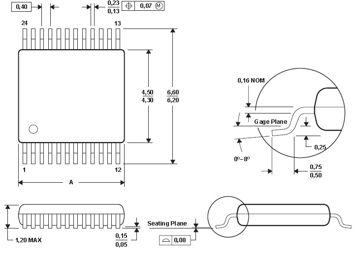
SN74LV14AD absolute maximum ratings: (1)Supply voltage range, VCC : 0.5 V to 7 V; (2)Input voltage range, VI (see Note 1) : 0.5 V to 7 V; (3)Voltage range applied to any output in the high-impedance or power-off state, VO (see Note 1) : 0.5 V to 7 V; (4)Output voltage range, VO (see Notes 1 and 2): 0.5 V to VCC + 0.5 V; (5)Input clamp current, IIK (VI < 0): 20 mA; (6)Output clamp current, IOK (VO < 0) : 50 mA; (7)Continuous output current, IO (VO = 0 to VCC): ±25 mA; (8)Continuous current through VCC or GND: ±50 mA; (9)Package thermal impedance, θJA (see Note 3): D package: 86℃/W; (10)(see Note 3): DB package: 96℃/W; (11)(see Note 3): DGV package : 127℃/W; (12)(see Note 3): NS package: 76℃/W; (13)(see Note 3): PW package: 113℃/W; (14)(see Note 4): RGY package: 47℃/W; (15)Storage temperature range, Tstg : 65℃ to 150℃.
Features
SN74LV14AD features: (1)2-V to 5.5-V VCC Operation; (2)Max tpd of 10 ns at 5 V; (3)Typical VOLP (Output Ground Bounce) <0.8 V at VCC = 3.3 V, TA = 25°C; (4)Typical VOHV (Output VOH Undershoot)>2.3 V at VCC = 3.3 V, TA = 25°C; (5)Support Mixed-Mode Voltage Operation on All Ports; (6)Ioff Supports Partial-Power-Down Mode Operation; (7)Latch-Up Performance Exceeds 250 mA Per JESD 17; (8)ESD Protection Exceeds JESD 22: 2000-V Human-Body Model (A114-A); 200-V Machine Model (A115-A); 1000-V Charged-Device Model (C101).
Diagrams

| Image | Part No | Mfg | Description | ![]() |
Pricing (USD) |
Quantity | ||||||||||||
|---|---|---|---|---|---|---|---|---|---|---|---|---|---|---|---|---|---|---|
![]() |
![]() SN74LV14AD |
![]() Texas Instruments |
![]() Inverters Hex Schmitt-Trigger |
![]() Data Sheet |
![]()
|
|
||||||||||||
![]() |
![]() SN74LV14ADBR |
![]() Texas Instruments |
![]() Inverters Hex Schmitt Trigger |
![]() Data Sheet |
![]()
|
|
||||||||||||
![]() |
![]() SN74LV14ADBRG4 |
![]() Texas Instruments |
![]() Inverters Hex Schmitt Trigger Inverters |
![]() Data Sheet |
![]()
|
|
||||||||||||
![]() |
![]() SN74LV14ADBRE4 |
![]() Texas Instruments |
![]() Inverters Hex Schmitt-Trigger Inverters |
![]() Data Sheet |
![]()
|
|
||||||||||||
![]() |
![]() SN74LV14ADG4 |
![]() Texas Instruments |
![]() Inverters Hex Schmitt-Trigger Inverters |
![]() Data Sheet |
![]()
|
|
||||||||||||
![]() |
![]() SN74LV14ADE4 |
![]() Texas Instruments |
![]() Inverters Hex Schmitt-Trigger Inverters |
![]() Data Sheet |
![]()
|
|
||||||||||||
![]() |
![]() SN74LV14ADR |
![]() Texas Instruments |
![]() Inverters Hex Schmitt-Trigger |
![]() Data Sheet |
![]()
|
|
||||||||||||
![]() |
![]() SN74LV14ADGVR |
![]() Texas Instruments |
![]() Inverters Hex Schmitt-Trigger |
![]() Data Sheet |
![]()
|
|
||||||||||||
(Hong Kong)









