Product Summary
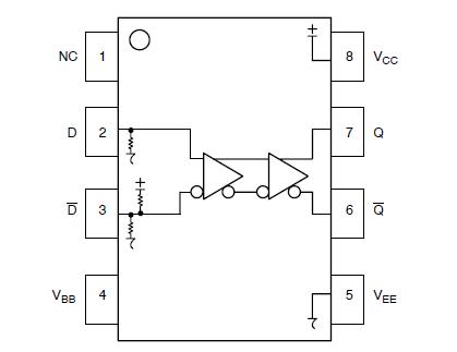
The MC100LVEL16D is a differential receiver. The device is functionally equivalent to the EL16 device, operating from a 3.3 V supply. The MC100LVEL16D exhibits a wider VIHCMR range than its EL16 counterpart. With output transition times and propagation delays
comparable to the EL16, the MC100LVEL16D is ideally suited for interfacing with high frequency sources at 3.3 V supplies. Under open input conditions, the Q input will be pulled down to VEE and the Q input will be biased to VCC/2. This condition will force the
Q output low.
Parametrics
MC100LVEL16D absolute maximum ratings: (1)PECL Mode Power Supply: 8 to 0 V; (2)VEE NECL Mode Power Supply: -8 to 0 V; (3)VI PECL Mode Input Voltage: 6 to 0; (4)NECL Mode Input Voltage: -6 to 0; (5)Output Current-Continuous: 50mA; (6)Output Current-Surge: 100mA; (7)VBB Sink/Source: ± 0.5 mA; (8)Operating Temperature Range: -40 to +85℃; (9)Storage Temperature Range: -65 to +150℃; (10)Wave Solder-Pb: 265℃; (11)Wave Solder-Pb-Free: 265℃.
Features
MC100LVEL16D features: (1)300 ps Propagation Delay; (2)High Bandwidth Output Transitions; (3)The 100 Series Contains Temperature Compensation; (4)ECL Mode Operating Range; (5)NECL Mode Operating Range; (6)Internal Input Pulldown Resistors on D, Pullup and Pulldown Resistors on D; (7)Q Output will Default LOW with Inputs Open or at VEE; (8)Pb-Free Packages are Available.
Diagrams

| Image | Part No | Mfg | Description | ![]() |
Pricing (USD) |
Quantity | ||||||||||||
|---|---|---|---|---|---|---|---|---|---|---|---|---|---|---|---|---|---|---|
![]() |
![]() MC100LVEL16D |
![]() ON Semiconductor |
![]() Bus Receivers 3.3V ECL Diff |
![]() Data Sheet |
![]() Negotiable |
|
||||||||||||
![]() |
![]() MC100LVEL16DG |
![]() ON Semiconductor |
![]() Bus Receivers 3.3V ECL Diff |
![]() Data Sheet |
![]()
|
|
||||||||||||
![]() |
![]() MC100LVEL16DTG |
![]() ON Semiconductor |
![]() Bus Receivers 3.3V ECL Diff |
![]() Data Sheet |
![]()
|
|
||||||||||||
![]() |
![]() MC100LVEL16DR2G |
![]() ON Semiconductor |
![]() Bus Receivers 3.3V ECL Diff |
![]() Data Sheet |
![]()
|
|
||||||||||||
![]() |
![]() MC100LVEL16DR2 |
![]() ON Semiconductor |
![]() Bus Receivers 3.3V ECL Diff |
![]() Data Sheet |
![]() Negotiable |
|
||||||||||||
![]() |
![]() MC100LVEL16DT |
![]() ON Semiconductor |
![]() Bus Receivers 3.3V ECL Diff |
![]() Data Sheet |
![]() Negotiable |
|
||||||||||||
![]() |
![]() MC100LVEL16DTR2G |
![]() ON Semiconductor |
![]() Bus Receivers 3.3V ECL Diff |
![]() Data Sheet |
![]()
|
|
||||||||||||
![]() |
![]() MC100LVEL16DTR2 |
![]() ON Semiconductor |
![]() Bus Receivers 3.3V ECL Diff |
![]() Data Sheet |
![]() Negotiable |
|
||||||||||||
(Hong Kong)









