Product Summary
The bgy887b is a CATV amplifier module. The bgy887b in a SOT115J package operating with a voltage supply of 24V (DC) . The bgy887b consists of two cascaded stages, both in cascode configuration. Applications of the bgy887b include: consists of two cascaded stages, both in cascode configuration.
Parametrics
bgy887b absolute maximum ratings: (1) RF input voltage Vi: 55dBmV; (2) storage temperature Tstg: -40 to +100°C; (3) operating mounting base temperature Tmb: -20 to +100°C.
Features
bgy887b features: (1) Excellent linearity; (2) Extremely low noise; (3) High gain; (4) Excellent return loss properties.
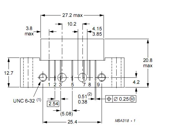
Diagrams

| Image | Part No | Mfg | Description | ![]() |
Pricing (USD) |
Quantity | ||||||||||
|---|---|---|---|---|---|---|---|---|---|---|---|---|---|---|---|---|
![]() |
![]() BGY887B |
![]() NXP Semiconductors |
![]() RF Amplifier BULK CATV-MOD |
![]() Data Sheet |
![]() Negotiable |
|
||||||||||
![]() |
![]() BGY887B,112 |
![]() NXP Semiconductors |
![]() RF Amplifier BULK CATV-MOD |
![]() Data Sheet |
![]()
|
|
||||||||||
(Hong Kong)










