Product Summary
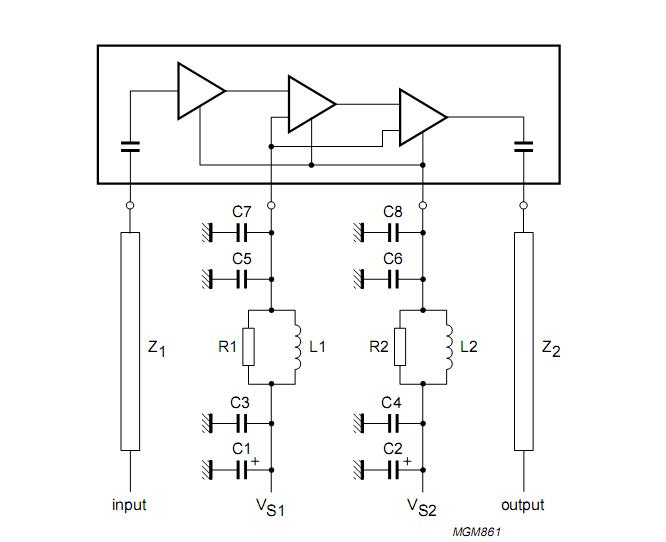
The bgy1816 is a three-stage UHF amplifier module in a SOT365A package with a plastic cap. The bgy1816 consists of three NPN silicon planar transistor dies mounted together with matching and bias circuit components on a metallized ceramic AlN substrate. Application of the bgy1816 includes: Base station transmitting equipment operating in the 1805 to 1880MHz frequency band.
Parametrics
bgy1816 absolute maximum ratings: (1) DC supply voltage VS1: 4.5 to 5.5V; (2) DC supply voltage VS2: 28V; (3) input drive power PD: 120mW; (4) load power PL: 20W (Tmb=25°C) ; (5) storage temperature Tstg: -30 to +100°C; (6) operating mounting base temperature Tmb: -10 to +90°C.
Features
bgy1816 features: (1) 26V nominal supply voltage; (2) 16W output power in to a load of 50Ω with an RF drive power of ≤63mW.
Diagrams

| Image | Part No | Mfg | Description | ![]() |
Pricing (USD) |
Quantity | ||||
|---|---|---|---|---|---|---|---|---|---|---|
![]() |
![]() BGY1816S |
![]() Other |
![]() |
![]() Data Sheet |
![]() Negotiable |
|
||||
![]() |
![]() BGY1816 |
![]() Other |
![]() |
![]() Data Sheet |
![]() Negotiable |
|
||||
(Hong Kong)









