Product Summary
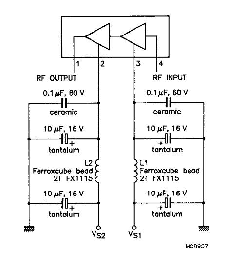
The bgy145b is a RF amplifier module, designed for use in transmitters of mobile communications equipment powered by vehicles with 12.5V battery supplies. The bgy145b is a two-stage transistor amplifier and consists of two RF npn transistors, together with surface mounted components that make up the matching and bias circuits. The bgy145b will provide 28W RF power into a 50Ω loadm when operated within the frequency range of 146 to 174MHz.
Parametrics
bgy145b absolute maximum ratings: (1) DC supply voltage VS1, VS2: 15.5V; (2) RF input terminal voltage ±Vi: 25V; (3) RF output terminal voltage: 25V; (4) RF input power PD: 450mW; (5) RF output power PL: 40W; (6) storage temperature range Tstg: -30 to 100°C; (7) heatsink operating temperature Th: 90°C.
Features
bgy145b features: (1) quiescent current IQ1: 10 to 25mA (PD=0) ; (2) quiescent current IQ2: 35mA (PD=0) ; (3) RF output power PL: 300mW (PD=300mW) ; (4) RF power gain Gp: 19.7dB (PL=28W) ; (5) 2nd&3rd harmonic outputs: -30dBc (PL=28W) .
Diagrams

(Hong Kong)






