Product Summary
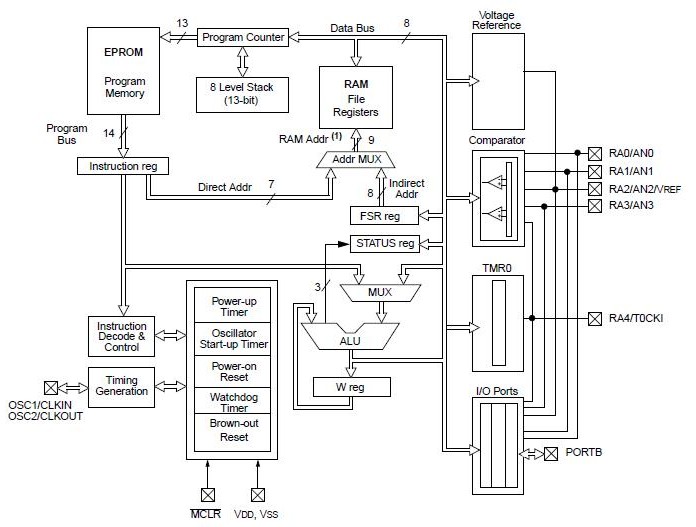
The PIC16C622A-20/P is an EPROM-Based 8-Bit CMOS Microcontroller. The PIC16C622A-20/P has enhanced core features, eight-level deep stack, and multiple internal and external interrupt sources. The separate instruction and data buses of the Harvard architecture allow a 14-bit wide instruction word with the separate 8-bit wide data. The two-stage instruction pipeline allows all instructions to execute in a single-cycle, except for program branches (which require two cycles). A total of 35 instructions (reduced instruction set) are available. Additionally, a large register set gives some of the architectural innovations used to achieve a very high performance.
Parametrics
PIC16C622A-20/P absolute maximum ratings: (1)Ambient Temperature under bias: -40℃ to +125℃; (2)Storage Temperature: -65℃ to +150℃; (3)Voltage on any pin with respect to VSS (except VDD and MCLR): -0.6V to VDD +0.6V; (4)Voltage on VDD with respect to VSS: 0 to +7.5V; (5)Voltage on MCLR with respect to VSS: 0 to +14V; (6)Total power Dissipation: 1.0W; (7)Maximum Current out of VSS pin: 300 mA; (8)Maximum Current into VDD pin: 250 mA; (9)Input Clamp Current, IIK (VI <0 or="" vi=""> VDD): ±20 mA; (10)Output Clamp Current, IOK (VO <0 or="" vo="">VDD): ±20 mA; (11)Maximum Output Current sunk by any I/O pin: 25 mA; (12)Maximum Output Current sourced by any I/O pin: 25 mA; (13)Maximum Current sunk by PORTA and PORTB: 200 mA; (14)Maximum Current sourced by PORTA and PORTB: 200 mA.
Features
PIC16C622A-20/P features: (1)Only 35 instructions to learn; (2)All single-cycle instructions (200 ns), except for program branches which are two-cycle; (3)Operating speed: DC - 20 MHz clock input; DC - 200 ns instruction cycle; (4)Interrupt capability; (5)16 special function hardware registers; (6)8-level deep hardware stack; (7)Direct, Indirect and Relative addressing modes.
Diagrams

| Image | Part No | Mfg | Description | ![]() |
Pricing (USD) |
Quantity | ||||||||||||
|---|---|---|---|---|---|---|---|---|---|---|---|---|---|---|---|---|---|---|
![]() |
![]() PIC16C622A-20/P |
![]() Microchip Technology |
![]() 8-bit Microcontrollers (MCU) 3.5KB 128 RAM 13 I/O |
![]() Data Sheet |
![]()
|
|
||||||||||||
![]() |
![]() PIC16C622A-20/PHXX |
![]() Other |
![]() |
![]() Data Sheet |
![]() Negotiable |
|
||||||||||||
(Hong Kong)










