Product Summary
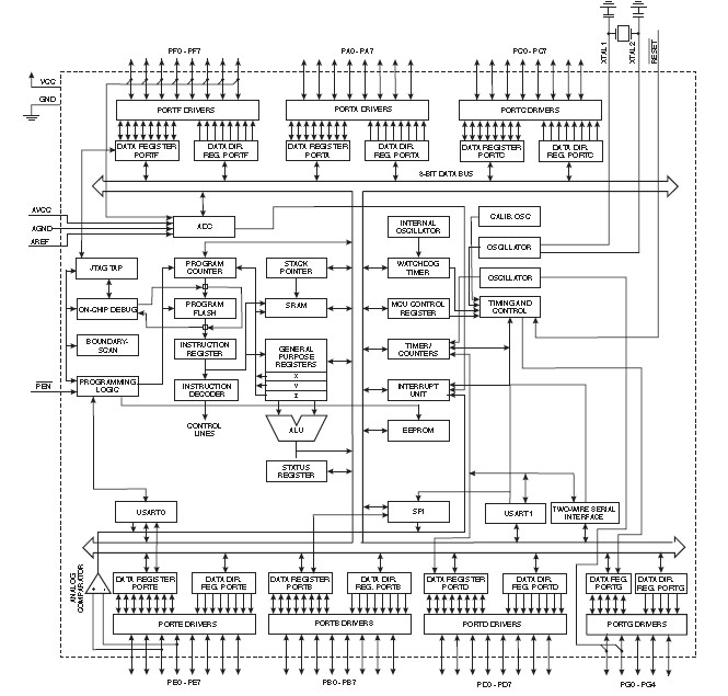
The ATmega128L-8AU is an 8-bit Microcontroller. The ATmega128L-8AU is manufactured using Atmel’s high-density nonvolatile memory technology. The Onchip ISP Flash allows the program memory to be reprogrammed in-system through an SPI serial interface, by a conventional nonvolatile memory programmer, or by an On-chip Boot program running on the AVR core. The boot program can use any interface to download the application program in the application Flash memory. Software in the Boot Flash section will continue to run while the Application Flash section is updated, providing true Read-While-Write operation. By combining an 8-bit RISC CPU with In-System Self-Programmable Flash on a monolithic chip, The ATmega128L-8AU is a powerful microcontroller that provides a highly flexible and cost effective solution to many embedded control applications.The ATmega128L-8AU is supported with a full suite of program and system development tools including: C compilers, macro assemblers, program debugger/simulators, in-circuit emulators, and evaluation kits.
Parametrics
ATmega128L-8AU absolute maximum ratings (1)Operating Temperature: -55°C to +125°C; (2) Storage Temperature: -65°C to +150°C; (3)Voltage on any Pin except RESET with respect to Ground :-0.5V to VCC+0.5V; (4)Voltage on RESET with respect to Ground: -0.5V to +13.0V; (5)Maximum Operating Voltage: 6.0V; (6)DC Current per I/O Pin: 40.0 mA; (7)DC Current VCC and GND Pins: 200.0 - 400.0mA.
Features
ATmega128L-8AU features: (1)High-performance, Low-power AVR 8-bit Microcontroller; (2)Advanced RISC Architecture:133 Powerful Instructions-Most Single Clock Cycle Execution; 32 x 8 General Purpose Working Registers + Peripheral Control Registers; Fully Static Operation; Up to 16 MIPS Throughput at 16 MHz; On-chip 2-cycle Multiplier; (3)High Endurance Non-volatile Memory segments: 128K Bytes of In-System Self-programmable Flash program memory; 4K Bytes EEPROM; 4K Bytes Internal SRAM; Write/Erase cycles: 10,000 Flash/100,000 EEPROM; Data retention: 20 years at 85℃/100 years at 25℃; Optional Boot Code Section with Independent Lock Bits; (4)In-System Programming by On-chip Boot Program,True Read-While-Write Operation; Up to 64K Bytes Optional External Memory Space; Programming Lock for Software Security; SPI Interface for In-System Programming; (5)JTAG (IEEE std. 1149.1 Compliant) Interface: Boundary-scan Capabilities According to the JTAG Standard; Extensive On-chip Debug Support; Programming of Flash, EEPROM, Fuses and Lock Bits through the JTAG Interface; (6)Peripheral Features: Two 8-bit Timer/Counters with Separate Prescalers and Compare Modes;Two Expanded 16-bit Timer/Counters with Separate Prescaler, Compare Mode and; (7)Capture Mode; Real Time Counter with Separate Oscillator; Two 8-bit PWM Channels; 6 PWM Channels with Programmable Resolution from 2 to 16 Bits; Output Compare Modulator; 8-channel, 10-bit ADC, 8 Single-ended Channels, 7 Differential Channels, 2 Differential Channels with Programmable Gain at 1x, 10x, or 200x; Byte-oriented Two-wire Serial Interface; Dual Programmable Serial USARTs; Master/Slave SPI Serial Interface; Programmable Watchdog Timer with On-chip Oscillator; On-chip Analog Comparator; (8)Special Microcontroller Features: ①Power-on Reset and Programmable Brown-out Detection; ②Internal Calibrated RC Oscillator; ③External and Internal Interrupt Sources; ④Six Sleep Modes: Idle, ADC Noise Reduction, Power-save, Power-down, Standby, and Extended Standby; ⑤Software Selectable Clock Frequency; ⑥ATmega103 Compatibility Mode Selected by a Fuse; (9)⑦Global Pull-up Disable; (10)I/O and Packages:①53 Programmable I/O Lines; ②64-lead TQFP and 64-pad QFN/MLF; (11)Operating Voltages: 2.7 - 5.5V ATmega128L; 4.5 - 5.5V ATmega128; (12)Speed Grades: 0 - 8 MHz ATmega128L; 0 - 16 MHz ATmega128.
Diagrams

| Image | Part No | Mfg | Description | ![]() |
Pricing (USD) |
Quantity | ||||||||||||
|---|---|---|---|---|---|---|---|---|---|---|---|---|---|---|---|---|---|---|
![]() |
![]() ATmega128L-8AU |
![]() Atmel |
![]() 8-bit Microcontrollers (MCU) 128kB Flash 4kB EEPROM 53 I/O Pins |
![]() Data Sheet |
![]()
|
|
||||||||||||
![]() |
![]() ATMEGA128L-8AUR |
![]() Atmel |
![]() 8-bit Microcontrollers (MCU) AVR,128KB FLASH,8MHZ 4KB EE 4KB SRAM |
![]() Data Sheet |
![]()
|
|
||||||||||||
(Hong Kong)










