Product Summary
The IR1303/L10 is a high intensity diode, molded in a blue transparent plastic package. The device is spectrally matched with phototransistor, photodiode and infrared receiver module. It can be used in (1)Free air transmission system; (2)Optoelectronic switch; (3)Infrared remote control units with high power requirement.
Parametrics
IR1303/L10 absolute maximum ratings: (1)Continuous forward current: 100 mA; (2)Reverse Voltage: 5V; (3)Power dissipation at(or below) 25℃ free air temperature: 100 mW; (4)Peak forward current :1.0 A; (5)Storage temperature range: -40 to +85 °C; (6)Soldering temperature:260 °C; (7)Operating temperature: -40 to +85°C.
Features
IR1303/L10 features: (1)High radiant intensity; (2)Peak wavelength=940nm; (3)View angle 30°; (4)High reliability.
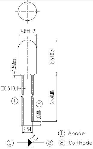
Diagrams

(Hong Kong)





