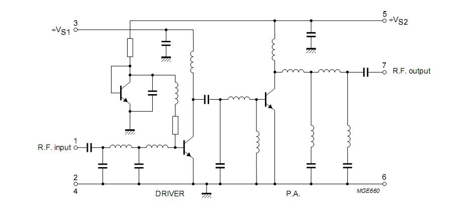
Product Summary
The bgy43 is a two-stage amplifier module in a SOT132B package. The bgy43 consists of a two stage RF amplifier using NPN silicon planar transistor dies with lumped-element matching components, in a plastic stripline encapsulation. Application of the bgy43 includes: Mobile communication equipment operating in the 148to174MHz frequency range.
Parametrics
bgy43 absolute maximum ratings: (1) DC supply voltage VS1: 16.5V; (2) DC supply voltage VS2: 16.5V; (3) RF input terminal voltage Vi: ±25V; (4) RF output terminal voltage Vo: ±25V; (5) input drive power PD: 300mW; (6) load power PL: 18W; (7) storage temperature Tstg: -40 to +100°C; (8) operating heatsink temperature Th: 90°C.
Features
bgy43 features: (1) Broadband VHF amplifier; (2) 13W output power; (3) Direct operation from 12V vehicle electrical systems.
Diagrams

(Hong Kong)






